Follow Us :
bhavyaindustries67@gmail.com
+91 98250 17130
Home
About Us
Our Products
Standing Seam Roofing Clips / Accessories (SSR)
Fixed Clips
Floating Interlocking Base
Floating Interlocking Tab
Floating Slotted Tab
Floating Slotted Base
UL - Floating Architectural Clips
UL - Snap Lock
Sliding Clip
Z - Type Metal Closer
Hand Seamer
Electrical Stamping / Transformer Lamination
Waste and Scrap
Blog
Enquiry
Contact Us
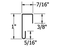
Floating Interlocking Tab
Floating Interlocking Tab
FLOATING INTERLOCKING TAB
500 per box
33,000 per skid
GALVANIZED
STAINLESS STEEL
24 Ga.
TG3-100-24
TS3-100-24
26 Ga.
TG3-100-26
TS3-100-26
ENQUIRE NOW
CUSTOMER ENQUIRY
×